1/5



福岡県 北九州市小倉南区
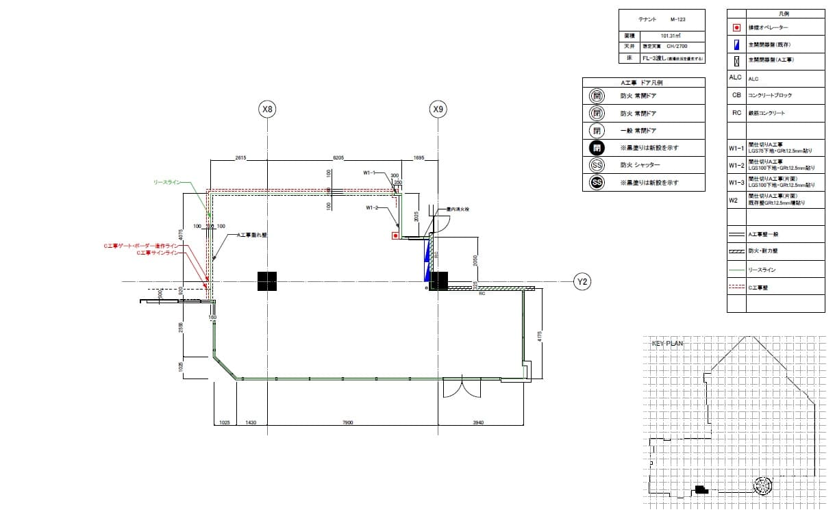
101.3㎡ (30.64坪)
図面・フロアマップ


小倉東I.C.より車で約5分の場所に位置し、JR下曽根駅より徒歩1分という利便性の良い大型商業施設にある区画となっております。この区画があるフロアはサロンやクリニックテナントがあり、幅広い層のお客様が多いフロアとなっております。
物販
食品・生鮮・惣菜・グロサリー
食物販(個包装、贈答菓子等)
食物販(切り売り、量り売り等)
軽飲食(カフェ等)
重飲食(レストラン等)
理美容・サロン
病院・クリニック・薬局
スポーツジム・フィットネス
学習塾・子供向け教室
語学・資格・カルチャー教室
アミューズメント
サービス提供
展示・ギャラリー
政府・自治体・公共団体

福岡県北九州市小倉南区
サニーサイドモール小倉JR日豊本線下曽根駅前に3世代で楽しめる新モール、サニーサイドモール小倉が誕生しました。「いつでも楽しく」、「みんなの笑顔」を基本コンセプトにしたバラエティ豊かなお店が出店しています。